



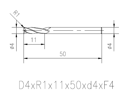
产品名称:四刃圆鼻立铣刀
产品牌号:D4-R1-11-50-d4-F4
产品描述:结构尺寸符合国家JB/T 7966标准
产品材质:硬质合金
产品涂层:TiALN
最小起订量:1支 适用用场合:槽铣、侧铣、插铣
适用材料:钢件、铸件、不锈钢的加工
400-029-2733
产品名称:四刃圆鼻立铣刀
产品特性/product characteristics:
适用于普通钢件、铸件、不锈钢(≤48HRC)的半精加工、粗加工、金属去除率高。
独特的U型槽设计,保证切刃稳定性,实现平稳切削。
较大螺旋角及合理排屑槽设计,产生细短切屑,排屑顺畅,有效散热。
精准钝化处理对抗夹砂、不崩刃、不打刀、提升寿命。
切削参数推荐:
钢件
ap=1-1.5D
Vc=130-180m/min
ae=0.12-0.15D
vf=1000-2000mm/min (d12-d3)
铸铁
ap=1-1.5D
Vc=140-160m/min
ae=0.12-0.15D
vf=1100-1700mm/min (d12-d3)
不锈钢
ap=1.5D
Vc=130m/min
ae=0.15D
vf=1100-1400mm/min (d12-d3)
注意事项:
1.以上参数适合钢性较高的机床和刀柄;
2.请根据具体加工工况,适当调整转速、进给、切深、切宽。
全国服务热线