bbin宝盈机械,量身定制,为你而来

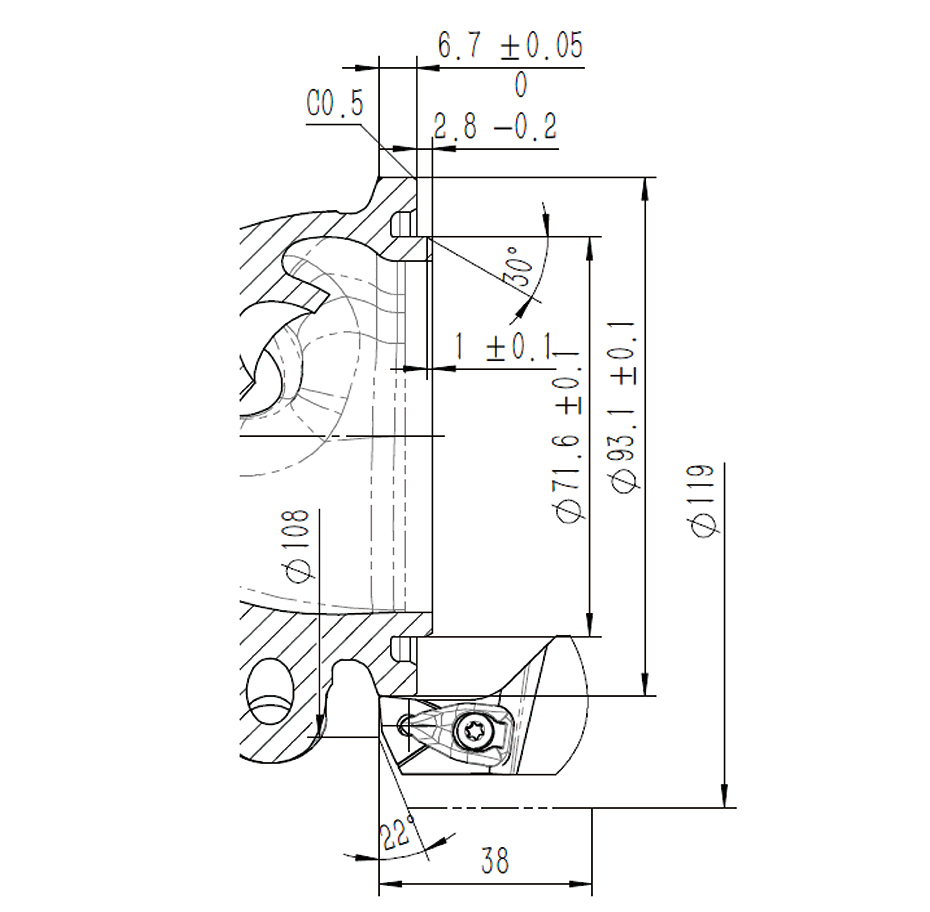
车外圆面

车外圆面

汽车涡轮增压壳体

零件材质:高温铸铁

加工内容:精车φ93.1、 φ71.6外圆及端面

加工设备:数控立车

切削参数:Vc=60~90m/min

被加工部位 / Machining parts

被加工部位

加工刀具 / tool

加工刀具

技术参数 / Technical parameters

车外圆面参数

车外圆面参数

车外圆面参数

全国服务热线

400-029-2733